ÎÄ | º¼ÖÝNG¼¯ÍÅ×Ô¶¯»¯ÓÐÏÞ¹«Ë¾ ºúÊ÷ÔÆ ½ÒÏþÓÚ¡¶×Ô¶¯»¯²©ÀÀ¡·×ܵÚ227ÆÚ
ÕªÒª£ºÕë¶Ô°ÙÍòǧÍß»ú×éÔËÐвÎÊý¸ß£¬£¬£¬£¬£¬£¬ÐîÈÈÄÜÁ¦Ð¡£¡£¡£¡£¡£¬£¬£¬£¬£¬£¬·ÇÏßÐԶȸߣ¬£¬£¬£¬£¬£¬ÏµÍ³ñîºÏÐÔÇ¿µÄÌØµã£¬£¬£¬£¬£¬£¬ÒԹ㶫¹ú»ªÌ¨É½µç³§2¡Á1000MWÏîÄ¿µÄ¿ØÖÆÕ½ÂÔΪ»ù´¡¡£¡£¡£¡£¡£ÏÈÈݹú²ú°ÙÍò¿ØÖÆÏµÍ³Ìص㣬£¬£¬£¬£¬£¬ÐðÊöNG¼¯ÍŹØÓÚ°ÙÍòǧÍß»ú×é½â¾ö¼Æ»®µÄÖ÷Òª¿ØÖÆÕ½ÂÔµÄÌØµã¡£¡£¡£¡£¡£
Òªº¦´Ê£º1000MW³¬³¬ÁÙ½ç»ú×飻£»£»£»£»£»£»£»Ðµ÷¿ØÖÆ£»£»£»£»£»£»£»£»¸øË®¿ØÖÆ£»£»£»£»£»£»£»£»ìÊÖµ
1¡¡Ð¡Ðò
¹ã¶«Ì¨É½·¢µç³§¶þÆÚ(Ê×Á½Ì¨1000MW¼¶»ú×é)À©½¨½¨ÉèÁ½Ì¨³¬³¬ÁÙ½ç1000MWȼú·¢µç»ú×飬£¬£¬£¬£¬£¬Èý´óÖ÷»úÓÉÉϺ£µçÆø¼¯ÍÅÌṩ¡£¡£¡£¡£¡£»£»£»£»£»£»£»£»ú×é¿ØÖÆÏµÍ³½ÓÄÉNG¼¯ÍŵÄHOLLiAS MACS V6ÊèÉ¢¿ØÖÆÏµÍ³£¬£¬£¬£¬£¬£¬ÕâÊÇÔÚ1000MW»ú×éÉÏÊ×´ÎʹÓùú²úDCSϵͳ¡£¡£¡£¡£¡£ÏîÄ¿ÓÚ2011Äê3ÔÂͨ¹ý168СʱÊÔÔËÐкóͶÈëÉÌÒµÔËÐУ¬£¬£¬£¬£¬£¬Í¶ÔËÒÔÀ´ÏµÍ³ÔËÐÐÎȹ̡¢¿ØÖÆÐ§¹ûÓÅÒ죬£¬£¬£¬£¬£¬²¢»ñµÃÖйú¹¤¿ØÍø2011Ñù°å¹¤³Ì½±¡£¡£¡£¡£¡£
2¡¡°ÙÍò»ú×éµÄÏµÍ³ÌØµã
°ÙÍò³¬³¬ÁÙ½ç»ú×éÓÉÓÚÕôÆû²ÎÊýµÄÌá¸ß£¬£¬£¬£¬£¬£¬ÆäÔËÐÐЧÂÊ´ó´óÌá¸ß£¬£¬£¬£¬£¬£¬¾¼ÃÐ§ÒæÊ®Ã÷È·ÏÔ£¬£¬£¬£¬£¬£¬»·±£Ë®Æ½ÏÔÖøÌá¸ß¡£¡£¡£¡£¡£³¬ÁÙ½ç»ú×éÔÚ¹¤ÒÕÁ÷³ÌºÍ¹¤¾ßÌØÕ÷ÓëÑÇÁÙ½çÆû°ü¹øÂ¯Ïà±È±¬·¢Á˽ϴóת±ä£¬£¬£¬£¬£¬£¬Òò¶ø³¬ÁÙ½ç»ú×éµÄ¿ØÖƾßÓÐÒÔÏÂÌØµã£º
£¨1£©ñîºÏÐÔÇ¿
ÓÉÓÚ³¬ÁÙ½ç»ú×éÔÚÖ±Á÷ÔËÐÐ״̬Æûˮ֮¼äûÓÐÃ÷È·µÄµÄ·Ö½çµã£¬£¬£¬£¬£¬£¬¸øË®µÄ¼ÓÈȶΡ¢Õô·¢¶Î¡¢¹ýÈȶÎÈý¸ö²¿·Ö¶¼»áÊܵ½¸øË®¡¢È¼ÁÏ¡¢µ÷ÃŵÄÓ°Ï죬£¬£¬£¬£¬£¬´Ó¶øÒýÆðζȡ¢Ñ¹Á¦¡¢¸ººÉµÄת±ä¡£¡£¡£¡£¡£
£¨2£©·ÇÏßÐÔ´ó
ÓÉÓÚ³¬ÁÙ½ç»ú×é½ÓÄÉ»¬Ñ¹ÔËÐУ¬£¬£¬£¬£¬£¬»ú×éÔÚÑÇÁÙ½çºÍ³¬Áٽ繤¿öÏ£¬£¬£¬£¬£¬£¬¹¤ÖʵÄÌØÕ÷ÓÐÏÔÖø²î±ð£¬£¬£¬£¬£¬£¬»ú×éÐîÈÈÄÜÁ¦Ò²·ÇÏßÐÔת±ä£¬£¬£¬£¬£¬£¬Ôì³É»ú×éÔÚ¸ººÉ±ä»»Ê±£¬£¬£¬£¬£¬£¬»ú×éµÄ²ÎÊý·ÇÏßÐÔת±ä¡£¡£¡£¡£¡£
£¨3£©ÊµÊ±ÐÔ¸ü¸ß
ÓÉÓÚ»ú×éÑ»·¹¤ÖʵÄ×ÜÖÊÁ¿Ï½µ£¬£¬£¬£¬£¬£¬Ñ»·ËÙÂÊÉÏÉýºÍ¹¤ÒÕÌØÕ÷µÄ¼ÓËÙ£¬£¬£¬£¬£¬£¬»ú¯֮¼äµÄе÷ÐèÒª¸ü¿ìËٺ͸üʵʱ£¬£¬£¬£¬£¬£¬¶Ô¿ØÖÆÏµÍ³µÄÖÜÆÚÒªÇó¸ü¶Ì£¬£¬£¬£¬£¬£¬ÊµÊ±ÐÔ¸üÇ¿¡£¡£¡£¡£¡£
£¨4£©¿ØÖƾ«¶ÈÒªÇó¸ü¸ß
ÓÉÓÚÖ±Á÷»ú×éûÓд¢ÄÜ×÷ÓÃÆû°üµÄ»·½Ú£¬£¬£¬£¬£¬£¬¶Ô¸ººÉÓëȼÉÕÂÊ¡¢È¼ÉÕÂÊÓë¸øË®Ö®¼äµÄƽºâ¹ØÏµÒªÇó¸ü¸ß£¬£¬£¬£¬£¬£¬²»È»±¬·¢µÄΣÏÕ»á¸ü´ó£¬£¬£¬£¬£¬£¬Õâ¾ÍÐèÒª¿ØÖÆÏµÍ³¶Ô±»¿ØÖƹ¤¾ßµÄµ÷Àí¾«¶È¸ü¸ß¡£¡£¡£¡£¡£
3¡¡²î±ðÀàÐÍ»ú×éµÄ¿ØÖÆÕ½ÂÔ
´ÓÉÏÊÀ¼ÍÎåÊ®ÄêÔÂÆð£¬£¬£¬£¬£¬£¬ÃÀ¹ú¡¢Å·ÖÞ¡¢¶íÂÞ˹¡¢ÈÕ±¾¡¢º«¹úµÈÏȺóÔÚȼú»ú×éÉú³¤ºÍÓ¦Óó¬ÁÙ½çÊÖÒÕ·¢µç£¬£¬£¬£¬£¬£¬È¡µÃºÜºÃµÄ¾¼ÃÐ§ÒæºÍÉç»áÐ§Òæ¡£¡£¡£¡£¡£ÎÒ¹úÈý´ó·¢µç×°±¸ÖÆÔì³§ÓëÍâÑó¹«Ë¾¾ÙÐÐÊÖÒÕÏàÖú£¬£¬£¬£¬£¬£¬Éú²úµÄ³¬ÁÙ½ç»ú×éÔÚ¹øÂ¯½á¹¹¡¢È¼ÉÕϵͳÉè¼ÆµÈ·½ÃæÓвî±ðµÄÌØµã¡£¡£¡£¡£¡£Òò¶øÔÚ¿ØÖÆÕ½ÂÔÉÏÒ²¸÷²»Ïàͬ¡£¡£¡£¡£¡£
3.1¡¡»ú×éе÷¿ØÖÆ
£¨1£©ÒÔÆû»ú×·ËæÎª»ù´¡µÄ»ú¯е÷¿ØÖÆÏµÍ³
¹øÂ¯Ö÷¿ØÊ¹ÓøøË®ºÍȼÁÏ¿ØÖÆ»ú×鸺ºÉ£¬£¬£¬£¬£¬£¬Æû»úµ÷ÃÅ¿ØÖÆÑ¹Á¦¡£¡£¡£¡£¡£ÆûѹµÄµ÷Àí½ÏÁ¿Æ½ÎÈ£¬£¬£¬£¬£¬£¬µ«¸ººÉ³õʼÏìÓ¦ÄÜÁ¦½Ï²î¡£¡£¡£¡£¡£µ¹ÔËÓÚAGCÖ¸ÁîµÄÒªÇ󡣡£¡£¡£¡£
£¨2£©ÒÔ¹øÂ¯×·ËæÎª»ù´¡µÄ»ú¯е÷¿ØÖÆÏµÍ³
ÓÉÆû»úµ÷ÃÅ¿ØÖÆ»ú×鸺ºÉ£¬£¬£¬£¬£¬£¬¸ººÉµÄ³õʼÏìӦѸËÙ£¬£¬£¬£¬£¬£¬ÀûÓÚAGCÖ¸ÁîµÄÒªÇ󣬣¬£¬£¬£¬£¬µ«Æûѹ³õʼƫÀë½Ï´ó£¬£¬£¬£¬£¬£¬ÏµÍ³ÎȹÌÐÔ½µµÍ£¬£¬£¬£¬£¬£¬ÎȹÌÖÜÆÚ±ä³¤¡£¡£¡£¡£¡£
3.2¡¡¸øË®¿ØÖÆ
£¨1£©ÒÔú¸úË®µÄ¸øË®µ÷Àí
ÒÔ¸øË®¿ìËÙÏìÓ¦¸ººÉµÄÐèÇ󣬣¬£¬£¬£¬£¬ÒÔÒ»¶¨µÄúˮ±ÈÀ´µÃ³öȼÁÏÁ¿£¬£¬£¬£¬£¬£¬²¢Í¨¹ý¶ÔìÊÖµµÄÐÞÕýµ÷ÀíÀ´ÐÞÕýȼÁÏÁ¿¡£¡£¡£¡£¡£¸ÃÕ½ÂÔ¶ÔÆûѹµÄÎȹ̽Ϻ㬣¬£¬£¬£¬£¬µ«¶ÔζȵĿØÖÆÖͺóÐԽϴ󡣡£¡£¡£¡£
£¨2£©ÒÔË®¸úúµÄ¸øË®µ÷Àí
ȼÁÏ¿ìËÙÏìӦϵͳµÄÐèÇ󣬣¬£¬£¬£¬£¬ÒÔÒ»¶¨ÃºË®±ÈÈ·¶¨¸øË®Á¿£¬£¬£¬£¬£¬£¬²¢Í¨¹ý¶ÔìÊÖµµÄÐÞÕýµ÷ÀíÀ´ÐÞÕý¸øË®Á¿¡£¡£¡£¡£¡£¸ÃÕ½ÂÔ¶ÔζȵÄÎȹ̽Ϻ㬣¬£¬£¬£¬£¬µ«ÆûѹµÄ¿ØÖÆÄѶÈÔö´ó¡£¡£¡£¡£¡£
3.3¡¡Ö÷ÆûζȿØÖÆ
£¨1£©°ÍÍþ»ú×éµÄοط½·¨
¸÷¼¶¹ýÈÈÆûεijö¿ÚζÈÉ趨ƾ֤ÕôÆûÁ÷Á¿¶ÔÓ¦µÄ¼õÎÂÆ÷βî¼ÓÉÏϼ¶Ï¼¶¼õÎÂÆ÷Èë¿ÚζÈÈ·¶¨£¬£¬£¬£¬£¬£¬¼õÎÂÆ÷µ÷ÀíÖð¼¶Ïòǰת´ïµ½ìÊ¿ØÖÆÆ÷ͨ¹ýÐÞÕýìÊÖµÉ趨£¬£¬£¬£¬£¬£¬À´¸Ä±ä¸øË®Á÷Á¿£¬£¬£¬£¬£¬£¬¸Ä±äúˮ±È£¬£¬£¬£¬£¬£¬×îÖÕʵÏÖ¸ººÉÓëÆûÎÂµÄÆ½ºâ¡£¡£¡£¡£¡£
£¨2£©ÈýÁâ»ú×éµÄοط½·¨
¸÷¼¶¹ýÈÈÆûεijö¿ÚζÈÉ趨ƾ֤¸ººÉÕÛÏßÈ·¶¨£¬£¬£¬£¬£¬£¬¸÷¼¶¹ýÈÈÆ÷³ö¿Úζȱ¬·¢µÄÎó²îͬʱÒÔ±ÈÀý×÷ÓÃת´ïµ½Ë®Ãº±È¿ØÖÆ»ØÂ·¡£¡£¡£¡£¡£
£¨3£©ÈÕÁ¢»ú×éµÄοط½·¨
Ö÷ÆûνÓÄɶ¨Öµ´®¼¶¿ØÖÆ·½·¨£¬£¬£¬£¬£¬£¬Ò»¼¶¼õÎÂË®¿ØÖƹýÈȶÈΪÖ÷£¬£¬£¬£¬£¬£¬Ò»¡¢¶þ¹ýÈÈÆ÷³ö¿Úζȶ¯Ì¬¼ÓÈëµ÷Àí¡£¡£¡£¡£¡£ÒÔ×ܼõÎÂË®µÄÁ÷Á¿Îó²îÒýÈ뵽ȼˮ±ÈµÄµ÷Àí»ØÂ·¡£¡£¡£¡£¡£
4¡¡Ì¨É½ÏîÄ¿µÄ¿ØÖÆÏµÍ³Ìصã
Éñ»ª¹ú»ª¹ã¶«Ì¨É½·¢µç³§¶þÆÚÁ½Ì¨°ÙÍòǧÍß³¬³¬ÁÙ½ç»ú×éÈý´óÖ÷»ú¾ùÓÉÉϺ£µçÆø¼¯ÍÅÌṩ¡£¡£¡£¡£¡£¹øÂ¯Òý½øAlstom-Power¹«Ë¾BoilerGmbhÊÖÒÕÉú²úµÄËþʽ1000MW¹øÂ¯£¬£¬£¬£¬£¬£¬Æû»úÒý½øÎ÷ÃÅ×ÓÊÖÒÕÉú²úµÄTC4FÐÍÆûÂÖ»ú£¬£¬£¬£¬£¬£¬¿ØÖÆÏµÍ³½ÓÄÉNG¼¯ÍŹ«Ë¾µÄ×îÐÂÒ»´úHOLLiASMACSV6ϵͳ¡£¡£¡£¡£¡£
¿ØÖÆÏµÍ³¾ßÓÐÈçÏÂÌØµã£º
4.1¡¡ÊµÊ±ÐÔ
ϵͳ½ÓÄÉ»ùÓÚÄÚ´æµÄ¼¯ÖÐʽÊý¾Ý¿âʵʱµÄÊý¾Ý¿âÊÖÒÕ£¬£¬£¬£¬£¬£¬»á¼ûËÙÂʼ«¸ß£¬£¬£¬£¬£¬£¬ÇÒͨ¹ý¶àÏîÊÖÒÕʵÏÖʵʱÊý¾ÝÓÅ»¯¶ÁÈ¡¡£¡£¡£¡£¡£ÁíÍâϵͳ½ÓÄÉʵʱµÄÈßÓàÍøÂçÊÖÒÕ£¬£¬£¬£¬£¬£¬Í¨¹ý²î±ðµÄÍøÂç²ãÏìÓ¦ÊÖÒÕµÄʹÓ㬣¬£¬£¬£¬£¬°ü¹ÜÊý¾ÝÔÚÍøÂç´«ÊäÖеÄʵʱÐÔ¡£¡£¡£¡£¡£È磺ÏÖ³¡Íø½ÓÄɵÄÊǵ±ËÞÌìÏÂÏȽøµÄPROFIBUS-DPÏÖ³¡×ÜÏߣ¬£¬£¬£¬£¬£¬²¢ÊµÏÖÁËÈíDPÊÖÒÕ£¬£¬£¬£¬£¬£¬ÓÃÈí¼þʵÏÖÁËÖ÷Õ¾¼°´ÓÕ¾µÄ´ó²¿·ÖDPÐÒ飬£¬£¬£¬£¬£¬Öª×ã°ÙÍò»ú×éµÄ¿ØÖÆÊµÊ±ÐÔÒªÇ󡣡£¡£¡£¡£
4.2¡¡¸ß¾«¶È
ϵͳͨ¹ý¼õ¶Ì¿ØÖÆÖÜÆÚºÍÎȹ̿ØÖÆÖÜÆÚµÄºã¶¨À´Ìá¸ß¿ØÖƵľ«¶È¡£¡£¡£¡£¡£Í¨¹ý¶ÔÖÖÖÖÔËËãÄ£¿£¿£¿£¿£¿£¿£¿éµÄÆÊÎö£¬£¬£¬£¬£¬£¬·²Óëʱ¼äÏà¹ØËã·¨£¬£¬£¬£¬£¬£¬Í¨¹ý¿ØÖÆÔËËãʹÃüµÄ¡°×¼Ê±Æô¶¯¡¢ÖÜÆÚÖ´ÐС±µÄÊÂÇé·½·¨¡£¡£¡£¡£¡£ÏµÍ³ÔËËã·½·¨Óë¿ØÖÆÕ½ÂÔÅäºÏ£¬£¬£¬£¬£¬£¬Öª×ã°ÙÍò»ú×éµÄ¿ØÖƾ«¶ÈÒªÇ󡣡£¡£¡£¡£
5¡¡Ì¨É½ÏîÄ¿¿ØÖÆÕ½ÂÔÆÊÎö
̨ɽÏîĿʵÑéÖУ¬£¬£¬£¬£¬£¬Í¨¹ý¶Ô֮ǰͶÔ˵İÙÍò»ú×é¿ØÖÆÕ½ÂÔµÄÆÊÎö£¬£¬£¬£¬£¬£¬ÍŽą́ɽÏîÄ¿µÄ¹¤ÒÕÌØµã£¬£¬£¬£¬£¬£¬È·¶¨ÁËÏîÄ¿µÄ¿ØÖÆÕ½ÂÔ¡£¡£¡£¡£¡£ÆäÔÀíºÍ×é³ÉÈçÏ£º
5.1¡¡Ðµ÷¿ØÖÆÏµÍ³
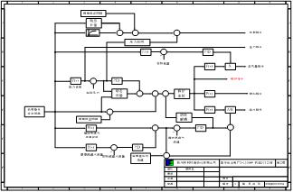
½ÓÄÉÒÔ¹øÂ¯×·ËæÎª»ù´¡µÄ»ú¯е÷¿ØÖÆÕ½ÂÔ¡£¡£¡£¡£¡£ÊµÏÖAGC¡¢Ò»´Îµ÷Ƶ¡¢RB¹¦Ð§¡£¡£¡£¡£¡£»£»£»£»£»£»£»£»ú×é½ÓÄÉÈ«»¬Ñ¹·½·¨ÔËÐУ¬£¬£¬£¬£¬£¬ÌṩÊÖ¶¯¿ØÖÆ¡¢Æû»ú×·Ëæ¿ØÖÆ¡¢¹øÂ¯×·Ëæ¿ØÖÆ¡¢Ðµ÷¿ØÖÆËÄÖÖ¿ØÖÆ·½·¨¡£¡£¡£¡£¡£ÔÀí¿òͼÈçͼ1Ëùʾ¡£¡£¡£¡£¡£

ͼ1 »ú¯е÷¿ØÖÆÔÀí¿òͼ
¼Æ»®Ìص㣺
5.1.1¡¡»ú×é½ÓÄÉ100%¸ßÅÔϵͳºÍÎ÷ÃÅ×ÓDEHϵͳ
ÓÉÓÚÎ÷ÃÅ×Ó°ÙÍòÆû»ú¿ØÖÆÎÞÊÖ¶¯·½·¨£¬£¬£¬£¬£¬£¬µ÷ÃŵĿØÖƱØÐèÔÚDEH²àʵÏÖ£¬£¬£¬£¬£¬£¬ÅÔ·ÔÚ»ú×éÔËÐÐÈ«³Ì¾ù¼ÓÈëѹÁ¦¿ØÖÆ¡£¡£¡£¡£¡£Òò¶øÔÚÉè¼Æ»ú×éµÄÖÖÖÖ¿ØÖÆ·½·¨Ê±£¬£¬£¬£¬£¬£¬Ðè˼Á¿µ½ÅÔ·ºÍDEH²àµÄµ÷Àí£¬£¬£¬£¬£¬£¬ÓëÔ600MW³¬ÁÙ½ç»ú×éµÄÉè¼ÆÓнϴóÇø±ð¡£¡£¡£¡£¡£
5.1.2¡¡¶¯Ì¬ÐîÈȺÍÎÈ̬ÐîÈȵÄÅâ³¥Éè¼Æ
ƾ֤Éý½µ¸ººÉµÄËÙÂÊ£¬£¬£¬£¬£¬£¬ÒÔ¼°±ä¸ººÉµÄ·ù¶ÈÈ·¶¨ÔÚ¶¯Ì¬ÏµÄȼÉյij¬³Û·ù¶È£¬£¬£¬£¬£¬£¬Í¬Ê±Æ¾Ö¤»ú×éÌØÕ÷£¬£¬£¬£¬£¬£¬È·¶¨³¬³ÛÁ¿µÄÏìӦʱ¼ä£¬£¬£¬£¬£¬£¬Ê¹¿ØÖƵÄÁ¿ÓëÏÖ³¡×°±¸ÌØÕ÷Ò»Ö£¬£¬£¬£¬£¬£¬ÒÔÔö²¹¶¯Ì¬Àú³ÌÖУ¬£¬£¬£¬£¬£¬¹øÂ¯ÐîÈȵÄת±ä¡£¡£¡£¡£¡£Í¬Ê±½ÓÄÉѹÁ¦µÈµÄ΢·ÖÐźÅ×÷Ϊ·´Ó¦»ú×鯽ºâµÄÖÐÐÄÐźţ¬£¬£¬£¬£¬£¬Í¨¹ý΢·ÖµÄ×÷ÓöÔȼÉյĵ÷Àí¾ÙÐÐÔöÇ¿£¬£¬£¬£¬£¬£¬ÒÔÆðµ½Õ½Ê¤¹øÂ¯ÖͺóÐÔµÄЧ¹û¡£¡£¡£¡£¡£
5.1.3¡¡¸÷±»µ÷Á¿Ö®¼äµÄ½âñîÉè¼Æ
£¨1£©¸ººÉÐèÇóÓë¹øÂ¯×ÅÁ¦µÄ½âñî
Ϊ½â¾ö¹øÂ¯ÓëÆû»úÐÔÄܶԸººÉÏìÓ¦µÄ²î±ð£¬£¬£¬£¬£¬£¬Ò»·½Ãæ½ÓÄɶ¯Ì¬³¬µ÷µÄÉè¼Æ¡£¡£¡£¡£¡£ÁíÒ»·½ÃæÁÙ»úǰѹÁ¦Ö¸ÁîµÄÐγÉ×ö¹ßÐÔ´¦Öóͷ££¬£¬£¬£¬£¬£¬Ê¹»ú×é×ÅÁ¦³õʼ¸Ä±äʱ£¬£¬£¬£¬£¬£¬¹øÂ¯µÄ²ÎÊýÖͺóת±ä¡£¡£¡£¡£¡£
£¨2£©¸øË®µ÷ÀíÓëȼÉÕµ÷ÀíµÄ½âñî
¸øË®µÄת±ä»áÒýÆðѹÁ¦µÄת±ä£¬£¬£¬£¬£¬£¬½ø¶øÒýÆðȼÉÕµÄת±ä£¬£¬£¬£¬£¬£¬È¼ÁϵÄת±äÓÖ¼Ó¾ç¸øË®µÄת±ä£¬£¬£¬£¬£¬£¬´Ó¶øÒýÆðϵͳµÄ¶¯µ´¡£¡£¡£¡£¡£ÎªÏû³ý¸øË®ÓëȼÉÕÖ®¼äµÄñîºÏ£¬£¬£¬£¬£¬£¬¶ÔìÊÖµµ÷ÀíÊä³ö¶Ëͨ¹ý¹¤ÖÊÕÛË㣬£¬£¬£¬£¬£¬¼°×ª±äÂÊ´¦Öóͷ£Ö®ºó£¬£¬£¬£¬£¬£¬¼ÓÈ뵽ȼÁϵ÷Àí»ØÂ·£¬£¬£¬£¬£¬£¬Ïû³ýȼÁÏÓë¸øË®Ö®¼äµÄñîºÏ¡£¡£¡£¡£¡£
5.1.4¡¡RB¹¦Ð§µÄµ÷Àí»ØÂ·
ÔÚͨÀýRB´¦Öóͷ£µÄ»ù´¡ÉÏ£¬£¬£¬£¬£¬£¬¶ÔÖÖÖÖÒýÆðRBÐж¯µÄÒòËØ£¬£¬£¬£¬£¬£¬ÔÚѹÁ¦Ö¸ÁîµÄת±äÂʺ͸øË®µÄÏìӦʱ¼äÉϾÙÐÐÁË»®·Ö´¦Öóͷ£¡£¡£¡£¡£¡£Í¬Ê±Æ¾Ö¤°ÙÍò»ú×éµÄȼÉÕÌØÕ÷£¬£¬£¬£¬£¬£¬ÔÚÌøÄ¥µÄ˳ÐòºÍʱ¼ä¾àÀëÉÏÒ²×öÁË´¦Öóͷ££¬£¬£¬£¬£¬£¬Ê¹»ú×éÔÚ±¬·¢Ê¹Êʱ£¬£¬£¬£¬£¬£¬¸üºÏÀíµØÆ¾Ö¤Ö±Á÷¯µÄȼÉÕÐèÒª¾ÙÐÐ×Ô¶¯¿ØÖÆ¡£¡£¡£¡£¡£
5.2¡¡¸øË®¿ØÖÆÏµÍ³
½ÓÄÉË®¸úúµÄ¿ØÖÆÕ½ÂÔ¡£¡£¡£¡£¡£Í¨¹ý¶Ô¸øË®±Ã¡¢ÔÙÑ»·±Ã³ö¿ÚÃÅ¡¢¸øË®ÅÔ·µ÷ÀíÃŵĿØÖÆ£¬£¬£¬£¬£¬£¬ÊµÏÖÔÚʪ̬¡¢¸É̬·½·¨ÏµÄÈ«³Ì¸øË®¿ØÖÆ¡£¡£¡£¡£¡£
£¨1£©ÊªÌ¬Ï¸øË®¿ØÖÆ
ÀàËÆÓÚÆû°ü¯µÄ¿ØÖÆ£¬£¬£¬£¬£¬£¬½ÓÄɸøË®±Ã¿ØÖÆÊèÉ¢Æ÷ÊèË®Ïäˮ룬£¬£¬£¬£¬£¬ÔÙÑ»··§¿ØÖÆÖ±Á÷¯×îСÇå¾²Á÷Á¿¡£¡£¡£¡£¡£È«³Ì¸øË®¹²·ÖΪÈý¶Î£¬£¬£¬£¬£¬£¬Ôڵ͸ººÉʱ£¬£¬£¬£¬£¬£¬ÓɸøË®ÅÔ·µ÷ÃÅ¿ØÖÆÊèÉ¢Æ÷ÊèË®Ïäˮ룬£¬£¬£¬£¬£¬¸øË®±Ã¿ØÖÆÅÔ·µ÷ÃÅǰºó²îѹ£¬£¬£¬£¬£¬£¬ÔÙÑ»··§¿ØÖÆÖ±Á÷¯×îСÇå¾²Á÷Á¿¡£¡£¡£¡£¡£µ±ÅÔ·µ÷ÃÅ¿ª¶ÈÔÚ85%ÒÔÉÏʱ£¬£¬£¬£¬£¬£¬Çл»Îª¸øË®±Ã¿ØÖÆÊèÉ¢Æ÷ÊèË®Ïäˮλ¡£¡£¡£¡£¡£µ±ÔÙÑ»·±Ã·ºÆðÎÊÌâʱ£¬£¬£¬£¬£¬£¬ÓɸøË®±Ã¿ØÖÆ×îСÇå¾²Á÷Á¿¡£¡£¡£¡£¡£Õû¸öÉè¼ÆÊµÏÖÁ˸øË®µÄÈ«³Ì¿ØÖÆ£¬£¬£¬£¬£¬£¬¼È°ü¹ÜÁËϵͳÔÚÇл»Àú³ÌÖÐµÄÆ½ÎÈ£¬£¬£¬£¬£¬£¬ÓÖ°ü¹ÜÁËÔڵ͸ººÉÀú³ÌÖУ¬£¬£¬£¬£¬£¬Ë®Àä±ÚµÄÇå¾²Á÷Á¿¡£¡£¡£¡£¡£
£¨2£©¸É̬ϸøË®¿ØÖÆ
½ÓÄÉÎïÀíÒªÁ죬£¬£¬£¬£¬£¬Æ¾Ö¤ÈÈÁ¦Ñ§µÚÒ»¶¨ÂɵÄÔÀíÀ´¹¹½¨µÄìÊË®¿ØÖÆÕ½ÂÔ£¬£¬£¬£¬£¬£¬ÊµÏÖÔÚÖ±Á÷½×¶Î¸øË®µÄ׼ȷ¿ØÖÆ¡£¡£¡£¡£¡£ÔÀí¿òͼÈçͼ2Ëùʾ¡£¡£¡£¡£¡£

ͼ2 ¸É̬ϸøË®¿ØÖÆÔÀí¿òͼ
¸ÃÕ½ÂÔѡȡÁË´ÓʡúÆ÷Èë¿Úµ½ÊèÉ¢Æ÷³ö¿Ú¸øË®µÄÄÜÁ¿×ª±äÓëȼÁϵķ¢ÈÈÁ¿Ö®¼äµÄת»¯¹¹½¨¡£¡£¡£¡£¡£¸øË®ÎüÈÈÁ¿À´×Ô¹øÂ¯È¼Éպ͹øÂ¯ÐîÈÈ£¬£¬£¬£¬£¬£¬Ò»¶¨µÄ¸øÃºÂÊÒ»¶¨¶ÔÓ¦Ò»¶¨µÄÎüÈÈÁ¿£¬£¬£¬£¬£¬£¬Õâ·´Ó¦ÁËȼÁÏÁ¿µ½ÈÈÁ¿µÄת»¯£¬£¬£¬£¬£¬£¬Õâ¸öת»¯½öÓëȼÉÕ¹¤¿ö¡¢¹øÂ¯¹¤¾ßÌØÕ÷¡¢´«ÈÈЧÂÊÓйأ¬£¬£¬£¬£¬£¬¶øÓë»ú²à¹¤¿ö(ÈçÆûѹ)Î޹ء£¡£¡£¡£¡£¸øÃºÂʺ͸øË®Á¿Í¨¹ýìÊÖµ¿ÉÒÔ½¨Éè¼òÃ÷µÄº¯Êý¹ØÏµ£¬£¬£¬£¬£¬£¬±ãÓÚ¿ØÖÆÕ½ÂԵĹ¹½¨£¬£¬£¬£¬£¬£¬×èÖ¹ÓëÆûѹ¿ØÖƵĽ»Ö¯×ÌÈÅ¡£¡£¡£¡£¡£´ÓÔÀíÉϽâ¾öÁ˸øË®ºÍȼÁÏ¡¢µ÷ÃÅÖ®¼äµÄ½âñî¹ØÏµ¡£¡£¡£¡£¡£ÕâÊǸÿØÖÆÕ½ÂÔ×îÀֳɺÍ×îÓÐÌØµãÖ®´¦¡£¡£¡£¡£¡£
½ÓÄÉìÊֵȡ´úζȵ÷Àí£¬£¬£¬£¬£¬£¬ÓÉÓÚìÊÖµËæÖ±Á÷¯ÆûË®Á÷³Ì·ºÆð¿ÝÔïת±äµÄÇ÷ÊÆ£¬£¬£¬£¬£¬£¬ÇÒѸËٶȺÍÏßÐԶȾùÓÅÓÚζȶԹ¤¿öµÄÏìÓ¦¡£¡£¡£¡£¡£ÕâÒ²ÊǸÃÕ½ÂÔÓÅÓÚÒÔÍù»ú×é¿ØÖÆÕ½ÂÔÖ®´¦¡£¡£¡£¡£¡£
½«Ò»¡¢¶þ¼¶¼õÎÂÆ÷µÄÁ÷Á¿µÄÎó²îÒýÈëµ½ìÊÖµÉ趨»ØÂ·£¬£¬£¬£¬£¬£¬Í¨¹ý¸øË®Óë¼õÎÂË®µÄÅäºÏʵÏÖϵͳµÄúˮ±ÈÆ¥Åä¡£¡£¡£¡£¡£
5.3¡¡Ö÷ÆûζȿØÖÆÏµÍ³
½ÓÄɰÍÍþ»ú×éµÄοط½·¨£¬£¬£¬£¬£¬£¬Ò»¼¶¼õÎÂÆ÷µÄ¶¨ÖµÆ¾Ö¤¶þ¼¶Èë¿ÚÆûÎÂ˳ÓÉÖ÷ÆûÁ÷Á¿ÕÛÏߵĶþ¼¶¼õÎÂÆ÷ÊÕÖ§¿ÚβîÖ®ºÍÈ·¶¨¡£¡£¡£¡£¡£Ò»¼¶¼õÎÂÆ÷µÄÈë¿ÚÆûÎÂ˳ÓÉÖ÷ÆûÁ÷Á¿ÕÛÏßµÄÒ»¼¶¼õÎÂÆ÷ÊÕÖ§¿ÚβîÖ®ºÍÈ·¶¨µÄ¶¨ÖµÓëÒ»¼¶¼õÎÂÆ÷µÄ³ö¿ÚÆûεÄÎó²îµ÷Àí×÷Ϊ¸øË®ìÊÖµµ÷ÀíµÄÉ趨ֵÐÞÕý£¬£¬£¬£¬£¬£¬ÊµÏÖ¸ººÉºÍ¸øË®µÄƽºâ¡£¡£¡£¡£¡£¸÷»ØÂ·µÄµ÷Àí°´Ê·Å®Ê¿Ô¤¹ÀµÄÔÀíÉè¼Æ£¬£¬£¬£¬£¬£¬Í¨¹ýÔËÓñÈÈȵĿ´·¨£¬£¬£¬£¬£¬£¬½«±»¿ØÎ¶ÈÕÛËãµ½¼õÎÂÅçË®·§³ö¿Ú£¬£¬£¬£¬£¬£¬½«´ó¹ßÐÔ¹¤¾ßת»»Îª¿ìËÙÏìÓ¦µÄ¹¤¾ß¡£¡£¡£¡£¡£±äͨÀýÆûδ®¼¶µ÷ÀíΪµ¥»ØÂ·µ÷Àí£¬£¬£¬£¬£¬£¬Ïû³ýÁËÖ÷¡¢¸±µ÷Àí»ØÂ·µÄÏ໥×ÌÈŵ¼Öµĵ÷ÀíЧ¹û²»¼ÑµÄÓ°Ïì¡£¡£¡£¡£¡£
6¡¡¿¢ÊÂÓï
´ËÏîĿƾ֤»ú×éÌØµãÉè¼Æ³öÇкϻú×éµÄ¿ØÖÆÕ½ÂÔ£¬£¬£¬£¬£¬£¬²¢ÍŽá»ú×éµÄ×îÓÅÔËÐвÎÊý£¬£¬£¬£¬£¬£¬½«¸÷ÎÈ̬ÊÂÇéµãºÍÏìÓ¦ÎÈ̬ÕÛÏßÊäÈëµ½Ëã·¨ÖУ¬£¬£¬£¬£¬£¬²¢ÅäºÏ¸÷µ÷Àí»ØÂ·µÄ²ÎÊýÉèÖ㬣¬£¬£¬£¬£¬×îÖÕʵÏÖ»ú×éµÄ׼ȷ¿ØÖÆ¡£¡£¡£¡£¡£
¿ØÖÆÕ½ÂÔÄÜ·ñʵÏÖÔ¤ÆÚµÄÄ¿µÄ£¬£¬£¬£¬£¬£¬²»µ«Óëµ÷Àí²ÎÊýµÄÉèÖÃÓйأ¬£¬£¬£¬£¬£¬²¢ÇÒÓëDCSϵͳµÄ¿ØÖÆÖÜÆÚ¡¢¼Æ»®×é̬µÄʱÐòµÈÇ×½üÏà¹Ø£¬£¬£¬£¬£¬£¬Ö»Óгä·ÖÏàʶ¿ØÖÆÏµÍ³µÄÌØµã¡¢¹¦Ð§¿éµÄÌØÕ÷£¬£¬£¬£¬£¬£¬²Å»ªÔÚʹÓÃÖлñµÃ¸üºÃµÄЧ¹û¡£¡£¡£¡£¡£